亚洲国产综合在线-亚洲国产综合网-亚洲国产综合人成综合网站00-亚洲国产综合久久精品-www成人国产在线观看网站-www成年人

歡迎進入工業腳輪生產廠家-湘潭市貝特機械制造有限公司!

貝特機械-大型腳輪生產廠家

30年專業從事重型腳輪等產品的生產和銷售
全國咨詢熱線: 13907327869
13907328167
當前位置:腳輪廠家 > 成套腳輪 > 重型腳輪 > 重型腳輪(二)

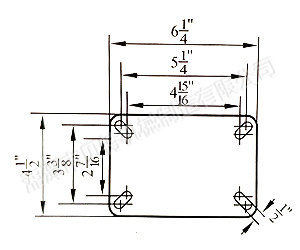
重型腳輪(二)


輪徑
(英寸)
輪寬
(英寸)
車輪材料載重
(磅)
軸承類型總高度
(英寸)
偏轉半徑
(英寸)
腳輪代號
旋轉固定
42鐵芯橡膠350滾針軸承5 5/83 3/16MR42SLMR42RL
鑄鐵700SS42SLSS42RL
鐵芯聚氨酯700PU42SLPU42RL
酚醛700PH42SLPH42RL
2 1/2鐵芯橡膠350MR425SLMR425RL
鑄鐵700SS425SLSS425RL
鐵芯聚氨酯700PU425SLPU425RL
酚醛700PH425SLPH425RL
52鐵芯橡膠400滾針軸承6 1/23 7/8MR52SLMR52RL
鑄鐵800SS52SLSS52RL
鐵芯聚氨酯800PU52SLPU52RL
酚醛800PH52SLPH52RL
2 1/2鐵芯橡膠400MR525SLMR525RL
鑄鐵800SS525SLSS525RL
鐵芯聚氨酯800PU525SLPU525RL
酚醛800PH525SLPH525RL
62鐵芯橡膠450滾針軸承7 1/24 9/16MR62SLMR62RL
鑄鐵900SS62SLSS62RL
鐵芯聚氨酯900PU62SLPU62RL
酚醛900PH62SLPH62RL
2 1/2鐵芯橡膠450MR625SLMR625RL
鑄鐵900SS625SLSS625RL
鐵芯聚氨酯900PU625SLPU625RL
酚醛900PH625SLPH625RL
82鐵芯橡膠550滾針軸承9 1/26MR82SLMR82RL
鑄鐵1000SS82SLSS82RL
鐵芯聚氨酯1000PU82SLPU82RL
酚醛1000PH82SLPH82RL
2 1/2鐵芯橡膠550MR825SLMR825RL
鑄鐵1000SS825SLSS825RL
鐵芯聚氨酯1000PU825SLPU825RL
酚醛1000PH825SLPH825RL
102鐵芯橡膠600滾針軸承11 3/87MR102SLMR102RL
鑄鐵1100SS102SLSS102RL
鐵芯聚氨酯1100PU102SLPU102RL
酚醛1100PH102SLPH102RL
2 1/2鐵芯橡膠600MR1025SLMR1025RL
鑄鐵1100SS1025SLSS1025RL
鐵芯聚氨酯1100PU1025SLPU1025RL
酚醛1100PH1025SLPH1025RL
122 1/2鐵芯橡膠800滾針軸承13 3/88 1/2MR1225SLMR1225RL
鑄鐵1200SS1225SLSS1225RL
鐵芯聚氨酯1200PU1225SLPU1225RL
酚醛1200PH1225SLPH1225RL